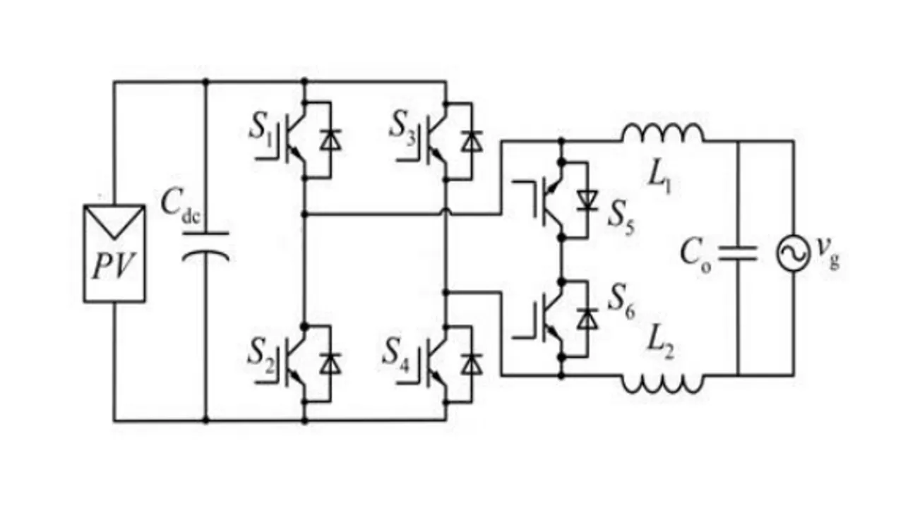
Dr. Heribert Schmidt received the inaugural Adolf Goetzberger Award for developing the HERIC inverter topology, a key innovation in solar power efficiency. Presented at the 40th PV Symposium in Kloster Banz, Germany, the award honors contributions to photovoltaic technology. Schmidt’s HERIC inverter topology reduced electrical losses by half compared to the conventional H4 full-bridge topology, enhancing energy yields and reliability. His work laid the foundation for H6 topologies, now widely used in solar systems worldwide. The HERIC patent is considered the Fraunhofer Society’s most successful individual patent, demonstrating effective technology transfer.
Dr. Heribert Schmidt receives Adolf Goetzberger Award for HERIC inverter
The Adolf Goetzberger Award was given to Heribert Schmidt for developing the HERIC inverter topology, which halved electrical losses and improved PV inverter efficiency.
/solarbytes/media/media_files/2025/03/16/PhbEUW3b7b0GpszdeeMN.png)
Advertisment
/solarbytes/media/agency_attachments/2025/01/13/2025-01-13t112055287z-solarbytes.png)
/solarbytes/media/agency_attachments/2025/01/13/2025-01-13t112030439z-solarbytes.png)