0
Bookmarks
Profile
Log Out
Subscribe
India Bytes
China Bytes
America Bytes
EMEA Bytes
Australia Bytes
India Bytes
China Bytes
America Bytes
EMEA Bytes
Australia Bytes
Authors
Powered by :
HeribertSchmidt
Tech Bytes
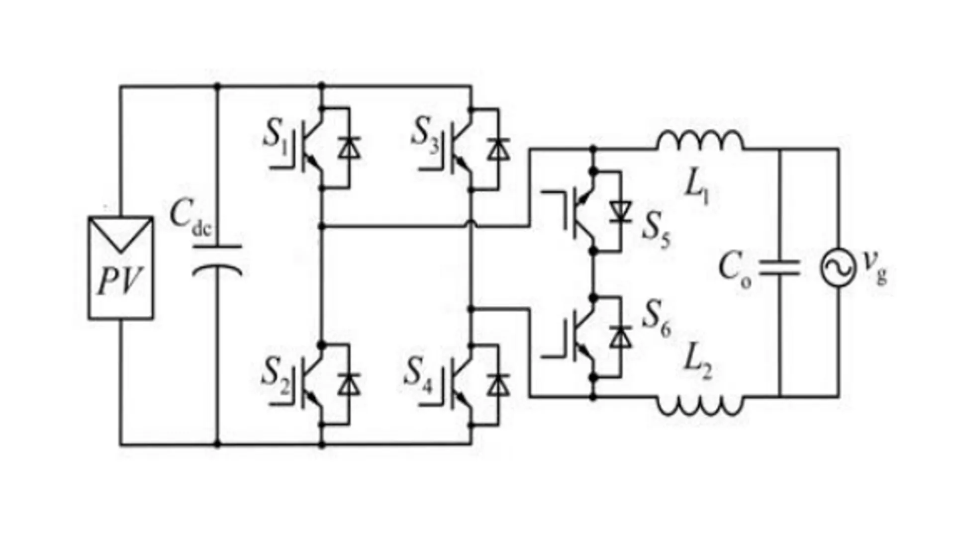
Dr. Heribert Schmidt receives Adolf Goetzberger Award for HERIC inverter
By
Karthik Srivasthav G
Mar 16, 2025
03:57
IST
Subscribe